Главная > Подшипники> Роликовые > Радиально-упорные>49585/49521

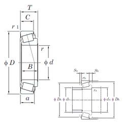
49585/49521 — Подшипник роликовый радиально-упорный, импортное производство по ISO стандарту, размер 50x133x31 номер основного исполнения .
Производитель: KOYO.
Цена от:1 010 р.
Цена на подшипник зависит от:
Габаритные размеры
Размеры и геометрические характеристики
Нагрузка и ресурс
Защита
Коэффициенты для расчета
Присоединительные размеры
Конструкция и исполнение