Главная > Подшипники> Роликовые > Радиально-упорные>49577/49520

49577/49520 — Однорядный конический роликовый подшипник, импортное производство по ISO стандарту, размер 44x101x31 номер основного исполнения .
Производится брендами: KOYO, TIMKEN.
Цена по запросу
Цена на подшипник зависит от:
Габаритные размеры
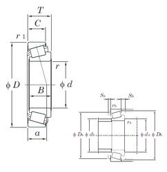
Размеры и геометрические характеристики
Нагрузка и ресурс
Защита
Коэффициенты для расчета
Присоединительные размеры
Конструкция и исполнение
Однорядный конический роликовый подшипник 49576/49520 (CX, ISO, KOYO, TIMKEN)
Конический роликоподшипник 49576/49520-B (TIMKEN)