Главная > Подшипники> Роликовые > Радиально-упорные>49150/49368

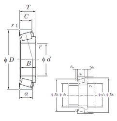
49150/49368 — Однорядный конический роликовый подшипник, импортное производство по ISO стандарту, размер 38x133x31 номер основного исполнения .
Производитель: KOYO.
Цена по запросу
Цена на подшипник зависит от:
Габаритные размеры
Размеры и геометрические характеристики
Нагрузка и ресурс
Защита
Коэффициенты для расчета
Присоединительные размеры
Конструкция и исполнение