Главная > Подшипники> Роликовые > Радиально-упорные>484/472A

484/472A — Подшипник роликовый радиально-упорный, импортное производство по ISO стандарту, размер 70x120x29 номер основного исполнения .
Производится брендами: Fersa, KOYO, TIMKEN.
A = внутренняя модификация конструкции.
Цена от:1 603 р.
Цена на подшипник зависит от:
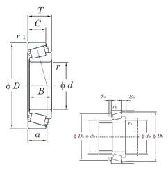
Габаритные размеры
Размеры и геометрические характеристики
Нагрузка и ресурс
Защита
Коэффициенты для расчета
Присоединительные размеры
Конструкция и исполнение
Подшипник роликовый радиальный с короткими цилиндрическими роликами без внутреннего кольца 292311Н
Подшипник роликовый радиальный с короткими цилиндрическими роликами без внутреннего кольца 292311А
Подшипник роликовый радиально-упорный конический однорядный повышенной грузоподъемности 3007714А
Подшипник роликовый радиально-упорный конический однорядный повышенной грузоподъемности с упорным бортом на наружном кольце 3067714А
Подшипник роликовый радиально-упорный 4-67814 Л (ГПЗ-15)
Подшипник роликовый радиально-упорный 67814 Л