Главная > Подшипники> Роликовые > Радиально-упорные>48393D/48320

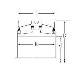
48393D/48320 — Конический роликоподшипник, импортное производство по ISO стандарту, размер 136x190x77 номер основного исполнения .
Производитель: TIMKEN.
D = профиль наружного кольца, усовершенствованный, с увеличенной зоной несущей нагрузки и оптимизированными краевыми переходами.
Цена от:5 767 р.
Цена на подшипник зависит от:
Габаритные размеры
Размеры и геометрические характеристики
Защита
Конструкция и исполнение