Главная > Подшипники> Роликовые > Радиально-упорные>483/472

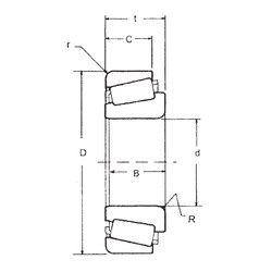
483/472 — Однорядный конический роликовый подшипник, импортное производство по ISO стандарту, размер 63x120x29 номер основного исполнения .
Производится брендами: CX, FBJ, ISO, TIMKEN.
Цена по запросу
Цена на подшипник зависит от:
Габаритные размеры
Размеры и геометрические характеристики
Нагрузка и ресурс
Защита
Коэффициенты для расчета
Присоединительные размеры
Конструкция и исполнение
Подшипник роликовый радиально-упорный 130063X/130120 (Gamet)
Подшипник роликовый радиально-упорный 130063X/130120C (Gamet)
Подшипник роликовый радиально-упорный 33251/33472 (KOYO, NACHI)
Однорядный конический роликовый подшипник 477/472 (CX, FBJ, ISO, KOYO, TIMKEN)
Конический роликоподшипник 477/472-B (TIMKEN)
Однорядный конический роликовый подшипник 477/472A (KOYO, TIMKEN)