Главная > Подшипники> Роликовые > Радиально-упорные>482A/472A

482A/472A — Однорядный конический роликовый подшипник, импортное производство по ISO стандарту, размер 69x120x29 номер основного исполнения .
Производится брендами: KOYO, TIMKEN.
A = внутренняя модификация конструкции.
Цена от:2 434 р.
Цена на подшипник зависит от:
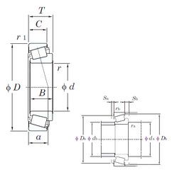
Габаритные размеры
Размеры и геометрические характеристики
Нагрузка и ресурс
Защита
Коэффициенты для расчета
Присоединительные размеры
Конструкция и исполнение
Однорядный конический роликовый подшипник 130069X/130120 (Gamet)
Однорядный конический роликовый подшипник 130069X/130120C (Gamet)
Однорядный конический роликовый подшипник 33275/33472 (Fersa, TIMKEN)
Однорядный конический роликовый подшипник 482/472 (CX, FBJ, Fersa, ISO, KOYO)
Однорядный конический роликовый подшипник 482/472B (TIMKEN)
Конический роликоподшипник 482/473 (TIMKEN)