Главная > Подшипники> Роликовые > Радиально-упорные>48290/48220

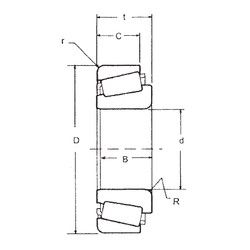
48290/48220 — Однорядный конический роликовый подшипник, импортное производство по ISO стандарту, размер 127x182x39 номер основного исполнения .
Производится брендами: CX, FBJ, Fersa, ISB, ISO, KOYO, NACHI, NIS, NSK, TIMKEN.
Цена от:2 819 р.
Цена на подшипник зависит от:
Габаритные размеры
Размеры и геометрические характеристики
Нагрузка и ресурс
Защита
Коэффициенты для расчета
Присоединительные размеры
Конструкция и исполнение
Прочие характеристики
Конический роликоподшипник 4T-48290/48220 (NTN)