Главная > Подшипники> Роликовые > Радиально-упорные>482/472X

482/472X — Однорядный конический роликовый подшипник, импортное производство по ISO стандарту, размер 69x123x30 номер основного исполнения .
Производится брендами: Fersa, KOYO, TIMKEN.
X = Внешние размеры, соответствующие международным стандартам.
Цена от:2 434 р.
Цена на подшипник зависит от:
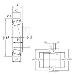
Габаритные размеры
Размеры и геометрические характеристики
Нагрузка и ресурс
Защита
Коэффициенты для расчета
Присоединительные размеры
Конструкция и исполнение