Главная > Подшипники> Роликовые > Радиально-упорные>479/472A

479/472A — Подшипник роликовый радиально-упорный, импортное производство по ISO стандарту, размер 66x120x29 номер основного исполнения .
Производится брендами: KOYO, TIMKEN.
A = внутренняя модификация конструкции.
Цена по запросу
Цена на подшипник зависит от:
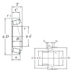
Габаритные размеры
Размеры и геометрические характеристики
Нагрузка и ресурс
Защита
Коэффициенты для расчета
Присоединительные размеры
Конструкция и исполнение
Однорядный конический роликовый подшипник 33262/33472 (TIMKEN)
Однорядный конический роликовый подшипник 479/472 (TIMKEN)
Конический роликоподшипник 479/472-B (TIMKEN)