Главная > Подшипники> Роликовые > Радиально-упорные>478/472A

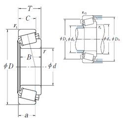
478/472A — Однорядный конический роликовый подшипник, импортное производство по ISO стандарту, размер 65x120x29 номер основного исполнения .
Производится брендами: KOYO, NIS, NSK, TIMKEN.
A = внутренняя модификация конструкции.
Цена по запросу
Цена на подшипник зависит от:
Габаритные размеры
Размеры и геометрические характеристики
Нагрузка и ресурс
Защита
Коэффициенты для расчета
Присоединительные размеры
Конструкция и исполнение
Прочие характеристики
Подшипник роликовый радиально-упорный 130065/130120 (Gamet)
Подшипник роликовый радиально-упорный 130065/130120C (Gamet)
Однорядный конический роликовый подшипник 478/473 (TIMKEN)
Конический роликоподшипник 478/472-B (TIMKEN)
Однорядный конический роликовый подшипник 478/472 (TIMKEN)