Главная > Подшипники> Роликовые > Радиально-упорные>476A/472

476A/472 — Однорядный конический роликовый подшипник, импортное производство по ISO стандарту, размер 60x700x29 номер основного исполнения .
Производитель: KOYO.
A = внутренняя модификация конструкции.
Цена от:6 275 р.
Цена на подшипник зависит от:
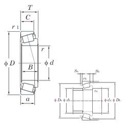
Габаритные размеры
Размеры и геометрические характеристики
Нагрузка и ресурс
Защита
Коэффициенты для расчета
Присоединительные размеры
Конструкция и исполнение