Главная > Подшипники> Роликовые > Радиально-упорные>47680R/47620

47680R/47620 — Подшипник роликовый радиально-упорный, импортное производство по ISO стандарту, размер 76x133x33 номер основного исполнения .
Производитель: KOYO.
R = Наружное кольцо с фланцем .
Цена по запросу
Цена на подшипник зависит от:
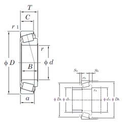
Габаритные размеры
Размеры и геометрические характеристики
Нагрузка и ресурс
Защита
Коэффициенты для расчета
Присоединительные размеры
Конструкция и исполнение
Подшипник роликовый радиально-упорный 133076X/133133X (Gamet)
Подшипник роликовый радиально-упорный 133076X/133133XC (Gamet)
Однорядный конический роликовый подшипник 47679/47620 (CX, FBJ, ISO, TIMKEN)
Конический роликоподшипник 47679/47620A (TIMKEN)
Подшипник роликовый радиально-упорный 47678R/47620 (KOYO)
Однорядный конический роликовый подшипник 47678/47620 (CX, FBJ, ISO, TIMKEN)