Главная > Подшипники> Роликовые > Радиально-упорные>47675/47620A

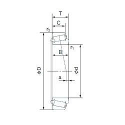
47675/47620A — Конический роликоподшипник, импортное производство по ISO стандарту, размер 71x133x33 номер основного исполнения .
Производитель: NACHI.
A = внутренняя модификация конструкции.
Цена по запросу
Цена на подшипник зависит от:
Габаритные размеры
Размеры и геометрические характеристики
Нагрузка и ресурс
Защита
Коэффициенты для расчета
Присоединительные размеры
Конструкция и исполнение