Главная > Подшипники> Роликовые > Радиально-упорные>47490/47420

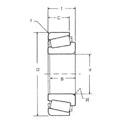
47490/47420 — Однорядный конический роликовый подшипник, импортное производство по ISO стандарту, размер 71x120x32 номер основного исполнения .
Производится брендами: CX, FBJ, Fersa, ISO, NACHI, NIS, NSK, TIMKEN.
Цена от:2 713 р.
Цена на подшипник зависит от:
Габаритные размеры
Размеры и геометрические характеристики
Нагрузка и ресурс
Защита
Коэффициенты для расчета
Присоединительные размеры
Конструкция и исполнение
Прочие характеристики
Конический роликоподшипник 47490/47423 (TIMKEN)
Подшипник роликовый радиально-упорный 47490R/47420 (KOYO)
Конический роликоподшипник 4T-47490/47420 (NTN)
Однорядный конический роликовый подшипник K47490-47420 (FAG)