Главная > Подшипники> Роликовые > Радиально-упорные>469/453X

469/453X — Однорядный конический роликовый подшипник, импортное производство по ISO стандарту, размер 57x104x30 номер основного исполнения .
Производится брендами: CX, FBJ, Fersa, ISO, KOYO, NACHI, NIS, NSK, PFI, TIMKEN.
X = Внешние размеры, соответствующие международным стандартам.
Цена от:1 559 р.
Цена на подшипник зависит от:
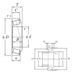
Габаритные размеры
Размеры и геометрические характеристики
Нагрузка и ресурс
Защита
Коэффициенты для расчета
Присоединительные размеры
Конструкция и исполнение
Прочие характеристики
Конический роликоподшипник 45291/20 (PFI)
Однорядный конический роликовый подшипник 45290/45220 (CX, FBJ, ISO, TIMKEN)
Однорядный конический роликовый подшипник 45289/45220 (CX, FBJ, Fersa, ISO, NIS)
Подшипник роликовый радиально-упорный 45290/45221 (KOYO, NACHI, TIMKEN)
Однорядный конический роликовый подшипник 45291/45221 (CX, ISO, KOYO, TIMKEN)
Однорядный конический роликовый подшипник 45291/45220 (CX, FBJ, ISO, TIMKEN)