Главная > Подшипники> Роликовые > Радиально-упорные>46792R/46720

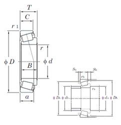
46792R/46720 — Подшипник роликовый радиально-упорный, импортное производство по ISO стандарту, размер 166x107x39 номер основного исполнения .
Производитель: KOYO.
R = Наружное кольцо с фланцем .
Цена по запросу
Цена на подшипник зависит от:
Габаритные размеры
Размеры и геометрические характеристики
Нагрузка и ресурс
Защита
Коэффициенты для расчета
Присоединительные размеры
Конструкция и исполнение