Главная > Подшипники> Роликовые > Радиально-упорные>46790D/46720+Y5S-46720

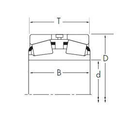
46790D/46720+Y5S-46720 — Конический роликоподшипник, импортное производство по ISO стандарту, размер 165x225x79 номер основного исполнения .
Производитель: TIMKEN.
D = профиль наружного кольца, усовершенствованный, с увеличенной зоной несущей нагрузки и оптимизированными краевыми переходами.
Цена от:8 894 р.
Цена на подшипник зависит от:
Габаритные размеры
Размеры и геометрические характеристики
Защита
Конструкция и исполнение