Главная > Подшипники> Роликовые > Радиально-упорные>467/453X

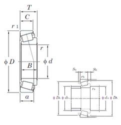
467/453X — Однорядный конический роликовый подшипник, импортное производство по ISO стандарту, размер 47x104x30 номер основного исполнения .
Производится брендами: CX, FBJ, ISO, KOYO, TIMKEN.
X = Внешние размеры, соответствующие международным стандартам.
Цена по запросу
Цена на подшипник зависит от:
Габаритные размеры
Размеры и геометрические характеристики
Нагрузка и ресурс
Защита
Коэффициенты для расчета
Присоединительные размеры
Конструкция и исполнение
Однорядный конический роликовый подшипник 45282/45220 (CX, FBJ, ISO, KOYO, TIMKEN)
Однорядный конический роликовый подшипник 45282/45221 (TIMKEN)
Подшипник роликовый радиально-упорный 463/463X (FBJ)
Подшипник роликовый радиально-упорный 463/453X (CX, ISO, KOYO, TIMKEN)
Конический роликоподшипник 4T-463/453X (NTN)
Конический роликоподшипник 4T-45282/45220 (NTN)