Главная > Подшипники> Роликовые > Радиально-упорные>46151/46368

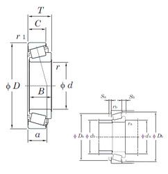
46151/46368 — Подшипник роликовый радиально-упорный, импортное производство по ISO стандарту, размер 38x93x31 номер основного исполнения .
Производитель: KOYO.
Цена по запросу
Цена на подшипник зависит от:
Габаритные размеры
Размеры и геометрические характеристики
Нагрузка и ресурс
Защита
Коэффициенты для расчета
Присоединительные размеры
Конструкция и исполнение
Подшипник роликовый радиально-упорный 46150/46368 (KOYO)
Однорядный конический роликовый подшипник 49151/49368 (TIMKEN)