Главная > Подшипники> Роликовые > Радиально-упорные>461/453X

461/453X — Подшипник роликовый радиально-упорный, импортное производство по ISO стандарту, размер 42x104x30 номер основного исполнения .
Производится брендами: KOYO, TIMKEN.
X = Внешние размеры, соответствующие международным стандартам.
Цена по запросу
Цена на подшипник зависит от:
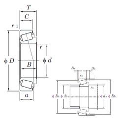
Габаритные размеры
Размеры и геометрические характеристики
Нагрузка и ресурс
Защита
Коэффициенты для расчета
Присоединительные размеры
Конструкция и исполнение