Главная > Подшипники> Роликовые > Радиально-упорные>460/453X

460/453X — Однорядный конический роликовый подшипник, импортное производство по ISO стандарту, размер 44x104x30 номер основного исполнения .
Производится брендами: CX, FBJ, ISO, TIMKEN.
X = Внешние размеры, соответствующие международным стандартам.
Цена от:2 603 р.
Цена на подшипник зависит от:
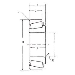
Габаритные размеры
Размеры и геометрические характеристики
Нагрузка и ресурс
Защита
Коэффициенты для расчета
Присоединительные размеры
Конструкция и исполнение
Однорядный конический роликовый подшипник 45280/45220 (CX, FBJ, ISO, TIMKEN)
Конический роликоподшипник 4T-460/453X (NTN)
Конический роликоподшипник 4T-45280/45220 (NTN)