Главная > Подшипники> Роликовые > Радиально-упорные>4580/2/4535/2/Q

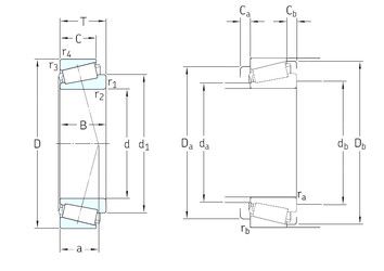
4580/2/4535/2/Q — Однорядный конический роликовый подшипник, импортное производство по ISO стандарту, размер 50x104x39 номер основного исполнения .
Производитель: SKF.
Q = тихий ход работы подшипника.
Цена от:2 574 р.
Цена на подшипник зависит от:
Габаритные размеры
Размеры и геометрические характеристики
Нагрузка и ресурс
Защита
Коэффициенты для расчета
Присоединительные размеры
Конструкция и исполнение
Однорядный конический роликовый подшипник 4580/4535 (CX, Fersa, ISO, KOYO, TIMKEN)
Подшипник роликовый радиально-упорный 4580/2/4535/2 (ISB)
Конический роликоподшипник 4T-4580/4535 (NTN)
Конический роликоподшипник K4580-4535 (FAG)