Главная > Подшипники> Роликовые > Радиально-упорные>456/453

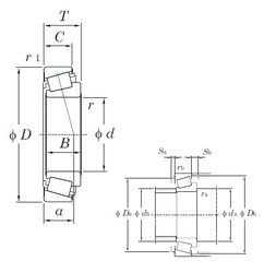
456/453 — Однорядный конический роликовый подшипник, импортное производство по ISO стандарту, размер 53x107x27 номер основного исполнения .
Производится брендами: KOYO, TIMKEN.
Цена по запросу
Цена на подшипник зависит от:
Габаритные размеры
Размеры и геометрические характеристики
Нагрузка и ресурс
Защита
Коэффициенты для расчета
Присоединительные размеры
Конструкция и исполнение
Однорядный конический роликовый подшипник 456/453AS (TIMKEN)
Однорядный конический роликовый подшипник 456/453A (TIMKEN)
Конический роликоподшипник 4T-456/453A (NTN)