Главная > Подшипники> Роликовые > Радиально-упорные>45392

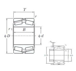
45392 — Подшипник роликовый радиально-упорный, импортное производство по ISO стандарту, размер 460x760x240 основное исполнение.
Производитель: KOYO.
Цена по запросу
Цена на подшипник зависит от:
Габаритные размеры
Размеры и геометрические характеристики
Нагрузка и ресурс
Защита
Коэффициенты для расчета
Присоединительные размеры
Конструкция и исполнение
Подшипник роликовый радиальный сферический двухрядный с бортиками на внутреннем кольце с коническим отверстием внутреннего кольца, конусностью 1:12 3113792 (ГПЗ-1)
Подшипник роликовый радиальный сферический двухрядный с бортиками на внутреннем кольце с цилиндрическим отверстием внутреннего кольца 3003792 (ГПЗ-1)
Подшипник роликовый радиальный сферический двухрядный с бортиками на внутреннем кольце с коническим отверстием внутреннего кольца, конусностью 1:12 30-3113792 (ГПЗ-1)
Подшипник роликовый радиальный самоцентрирующийся 3003792Н
Подшипник роликовый радиальный самоцентрирующийся 3053792
Подшипник роликовый радиальный сферический двухрядный с цилиндрическим отверстием внутреннего кольца 3053792Н