Главная > Подшипники> Роликовые > Радиально-упорные>45364R

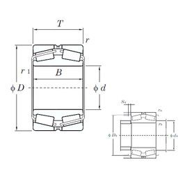
45364R — Подшипник роликовый радиально-упорный, импортное производство по ISO стандарту, размер 320x540x176 номер основного исполнения .
Производитель: KOYO.
R = Наружное кольцо с фланцем .
Цена по запросу
Цена на подшипник зависит от:
Габаритные размеры
Размеры и геометрические характеристики
Нагрузка и ресурс
Защита
Коэффициенты для расчета
Присоединительные размеры
Конструкция и исполнение
Подшипник роликовый сферический 23164 (ISB, SKF)
Подшипник роликовый радиальный сферический двухрядный с бортиками на внутреннем кольце с цилиндрическим отверстием внутреннего кольца 3003764
Подшипник роликовый сферический 23164 CC.C3W33 (SKF)
Подшипник роликовый сферический 23164 MB.C3 (SKF)
Подшипник роликовый сферический 23164 MB (FAG, SKF)
Подшипник роликовый сферический 23164 K.MB.C3 (SKF)