Главная > Подшипники> Роликовые > Радиально-упорные>45334

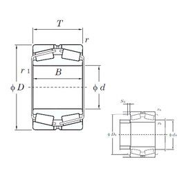
45334 — Подшипник роликовый радиально-упорный, импортное производство по ISO стандарту, размер 170x280x88 основное исполнение.
Производитель: KOYO.
Цена по запросу
Цена на подшипник зависит от:
Габаритные размеры
Размеры и геометрические характеристики
Нагрузка и ресурс
Защита
Коэффициенты для расчета
Присоединительные размеры
Конструкция и исполнение
Подшипник роликовый сферический 23134 (ISB, NSK)
Подшипник роликовый сферический 23134 CAME4 (NSK)
Подшипник роликовый сферический 23134 E1A.M.C3 (NSK)
Подшипник роликовый сферический 23134 E1A.K.M.C3 (NSK)
Подшипник роликовый сферический 23134 E1A.K.M (FAG, NSK)
Подшипник роликовый сферический 23134 CCK.W33 (NSK, SKF)