Главная > Подшипники> Роликовые > Радиально-упорные>45332

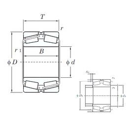
45332 — Подшипник роликовый радиально-упорный, импортное производство по ISO стандарту, размер 160x270x86 основное исполнение.
Производитель: KOYO.
Цена по запросу
Цена на подшипник зависит от:
Габаритные размеры
Размеры и геометрические характеристики
Нагрузка и ресурс
Защита
Коэффициенты для расчета
Присоединительные размеры
Конструкция и исполнение
Подшипник роликовый сферический 23132 (ISB, NSK)
Подшипник роликовый радиальный сферический двухрядный с бортиками на внутреннем кольце с цилиндрическим отверстием внутреннего кольца 3003732 (ГПЗ-1)
Подшипник роликовый сферический 23132 E1A.M.C3 (NSK)
Подшипник роликовый сферический 23132 E1A.M (FAG, NSK)
Подшипник роликовый сферический 23132 E1A.K.M.C3 (NSK)