Главная > Подшипники> Роликовые > Радиально-упорные>45287/45220

45287/45220 — Однорядный конический роликовый подшипник, импортное производство по ISO стандарту, размер 53x104x30 номер основного исполнения .
Производится брендами: CX, FBJ, ISO, TIMKEN.
Цена от:976 р.
Цена на подшипник зависит от:
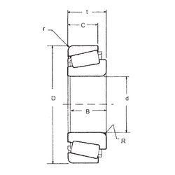
Габаритные размеры
Размеры и геометрические характеристики
Нагрузка и ресурс
Защита
Коэффициенты для расчета
Присоединительные размеры
Конструкция и исполнение
Подшипник роликовый радиально-упорный 45287/45221 (KOYO, TIMKEN)
Однорядный конический роликовый подшипник 456/453X (CX, ISO, KOYO, NACHI, TIMKEN)
Конический роликоподшипник 4T-45287/45220 (NTN)