Главная > Подшипники> Роликовые > Радиально-упорные>45284

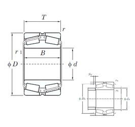
45284 — Подшипник роликовый радиально-упорный, импортное производство по ISO стандарту, размер 420x620x150 основное исполнение.
Производитель: KOYO.
Цена от:1 080 р.
Цена на подшипник зависит от:
Габаритные размеры
Размеры и геометрические характеристики
Нагрузка и ресурс
Защита
Коэффициенты для расчета
Присоединительные размеры
Конструкция и исполнение
Подшипник роликовый сферический 23084 (FAG, ISB)
Подшипник роликовый сферический 23084 B.K.MB (FAG)
Подшипник роликовый сферический 23084 B.MB (FAG)
Подшипник роликовый радиальный двухрядный с короткими цилиндрическими роликами с коническим отверстием внутреннего кольца с бортами на внутреннем кольце 3182184
Подшипник роликовый радиальный двухрядный с короткими цилиндрическими роликами с цилиндрическим отверстием внутреннего кольца с бортами на внутреннем кольце 3282184
Подшипник роликовый радиальный самоцентрирующийся 3053184