Главная > Подшипники> Роликовые > Радиально-упорные>45276

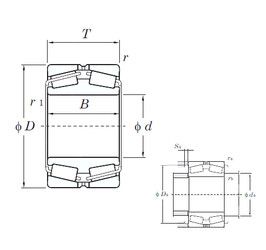
45276 — Подшипник роликовый радиально-упорный, импортное производство по ISO стандарту, размер 380x560x135 основное исполнение.
Производитель: KOYO.
Цена по запросу
Цена на подшипник зависит от:
Габаритные размеры
Размеры и геометрические характеристики
Нагрузка и ресурс
Защита
Коэффициенты для расчета
Присоединительные размеры
Конструкция и исполнение
Подшипник роликовый сферический 23076 (FAG, ISB)
Подшипник роликовый сферический 23076 B.K.MB (FAG)
Подшипник роликовый сферический 23076 B.K.MB.C3 (FAG)
Подшипник роликовый сферический 23076 B.MB (FAG)
Подшипник роликовый сферический 23076 B.MB.C3 (FAG)
Подшипник роликовый радиальный двухрядный с короткими цилиндрическими роликами с коническим отверстием внутреннего кольца с бортами на внутреннем кольце 3182176