Главная > Подшипники> Роликовые > Радиально-упорные>45268

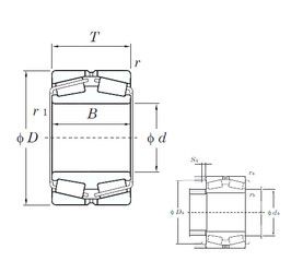
45268 — Подшипник роликовый радиально-упорный, импортное производство по ISO стандарту, размер 340x520x133 основное исполнение.
Производитель: KOYO.
Цена по запросу
Цена на подшипник зависит от:
Габаритные размеры
Размеры и геометрические характеристики
Нагрузка и ресурс
Защита
Коэффициенты для расчета
Присоединительные размеры
Конструкция и исполнение
Подшипник роликовый сферический 23068 (ISB, SKF)
Подшипник роликовый радиальный сферический двухрядный с бортиками на внутреннем кольце с цилиндрическим отверстием внутреннего кольца 3003168
Подшипник роликовый радиальный сферический двухрядный с бортиками на внутреннем кольце с коническим отверстием внутреннего кольца, конусностью 1:12 3113168 (ГПЗ-1)
Подшипник роликовый сферический 23068 CCK.C3W33 (SKF)
Подшипник роликовый сферический 23068 CCK.W33 (SKF)
Подшипник роликовый сферический 23068 K.MB.C3 (SKF)