Главная > Подшипники> Роликовые > Радиально-упорные>45260

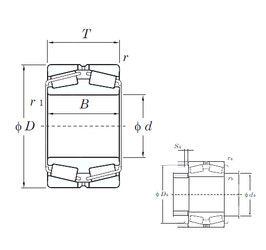
45260 — Подшипник роликовый радиально-упорный, импортное производство по ISO стандарту, размер 300x460x118 основное исполнение.
Производитель: KOYO.
Цена по запросу
Цена на подшипник зависит от:
Габаритные размеры
Размеры и геометрические характеристики
Нагрузка и ресурс
Защита
Коэффициенты для расчета
Присоединительные размеры
Конструкция и исполнение
Подшипник роликовый сферический 23060 (FAG, ISB)
Подшипник роликовый радиальный сферический двухрядный с бортиками на внутреннем кольце с цилиндрическим отверстием внутреннего кольца 3003160
Подшипник роликовый сферический 23060 CC.C3W33 (FAG)
Подшипник роликовый сферический 23060 MB.C3 (FAG)
Подшипник роликовый сферический 23060 K.MB.C3 (FAG)
Подшипник роликовый сферический 23060 E1.K.C3 (FAG)