Главная > Подшипники> Роликовые > Радиально-упорные>45252

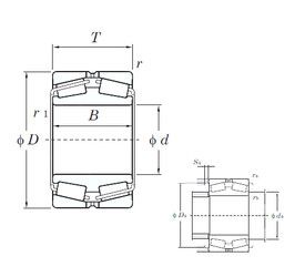
45252 — Подшипник роликовый радиально-упорный, импортное производство по ISO стандарту, размер 260x400x104 основное исполнение.
Производитель: KOYO.
Цена по запросу
Цена на подшипник зависит от:
Габаритные размеры
Размеры и геометрические характеристики
Нагрузка и ресурс
Защита
Коэффициенты для расчета
Присоединительные размеры
Конструкция и исполнение
Подшипник роликовый сферический 23052 (ISB, SKF)
Подшипник роликовый радиальный двухрядный с короткими цилиндрическими роликами с коническим отверстием внутреннего кольца с бортами на внутреннем кольце 3182152
Подшипник роликовый радиальный сферический двухрядный с бортиками на внутреннем кольце с цилиндрическим отверстием внутреннего кольца 3003152
Подшипник роликовый радиальный сферический двухрядный с бортиками на внутреннем кольце с коническим отверстием внутреннего кольца, конусностью 1:12 3113152 (ГПЗ-11)
Подшипник роликовый сферический 23052 CC.C3W33 (SKF)
Подшипник роликовый сферический 23052 E1.C3 (SKF)