Главная > Подшипники> Роликовые > Радиально-упорные>45238

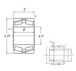
45238 — Подшипник роликовый радиально-упорный, импортное производство по ISO стандарту, размер 190x290x75 основное исполнение.
Производитель: KOYO.
Цена по запросу
Цена на подшипник зависит от:
Габаритные размеры
Размеры и геометрические характеристики
Нагрузка и ресурс
Защита
Коэффициенты для расчета
Присоединительные размеры
Конструкция и исполнение
Подшипник роликовый сферический 23038 (FBJ, ISB, SKF)
Подшипник роликовый сферический 23038 CAME4C3 (SKF)
Подшипник роликовый сферический 23038 CC.C3W33 (SKF)
Подшипник роликовый сферический 23038 E1A.M.C3 (SKF)