Главная > Подшипники> Роликовые > Радиально-упорные>45230

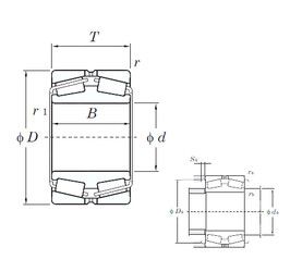
45230 — Подшипник роликовый радиально-упорный, импортное производство по ISO стандарту, размер 150x225x56 основное исполнение.
Производитель: KOYO.
Цена по запросу
Цена на подшипник зависит от:
Габаритные размеры
Размеры и геометрические характеристики
Нагрузка и ресурс
Защита
Коэффициенты для расчета
Присоединительные размеры
Конструкция и исполнение
Подшипник роликовый сферический 23030 (FBJ, ISB, SKF)
Цилиндрический роликоподшипник NN3030 (CX, FAG, ISO, KOYO, NACHI)
Подшипник роликовый радиальный двухрядный с короткими цилиндрическими роликами с коническим отверстием внутреннего кольца с бортами на внутреннем кольце 3182130
Подшипник роликовый радиальный двухрядный с короткими цилиндрическими роликами с цилиндрическим отверстием внутреннего кольца с бортами на внутреннем кольце 3282130
Подшипник роликовый сферический 23030 CC.C3W33 (SKF)