Главная > Подшипники> Роликовые > Радиально-упорные>452/500

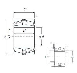
452/500 — Подшипник роликовый радиально-упорный, импортное производство по ISO стандарту, размер 500x720x167 номер основного исполнения .
Производитель: KOYO.
Цена по запросу
Цена на подшипник зависит от:
Габаритные размеры
Размеры и геометрические характеристики
Нагрузка и ресурс
Защита
Коэффициенты для расчета
Присоединительные размеры
Конструкция и исполнение
Подшипник роликовый радиальный двухрядный с короткими цилиндрическими роликами с коническим отверстием внутреннего кольца с бортами на внутреннем кольце 31821/500
Подшипник роликовый радиальный двухрядный с короткими цилиндрическими роликами с цилиндрическим отверстием внутреннего кольца с бортами на внутреннем кольце 32821/500
Подшипник роликовый радиальный двухрядный с короткими цилиндрическими роликами с коническим отверстием внутреннего кольца с бортами на внутреннем кольце 5-31821/500 (ГПЗ-9)
Подшипник роликовый радиальный самоцентрирующийся 30531/500
Подшипник роликовый радиальный сферический двухрядный с цилиндрическим отверстием внутреннего кольца 30531/500Н
Подшипник роликовый радиальный сферический двухрядный с бортиками на внутреннем кольце с коническим отверстием внутреннего кольца, конусностью 1:12 31131/500