Главная > Подшипники> Роликовые > Радиально-упорные>4370/4335

4370/4335 — Подшипник роликовый радиально-упорный, импортное производство по ISO стандарту, размер 44x260x40 номер основного исполнения .
Производитель: KOYO.
Цена от:3 253 р.
Цена на подшипник зависит от:
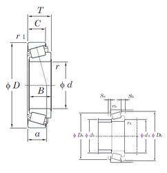
Габаритные размеры
Размеры и геометрические характеристики
Нагрузка и ресурс
Защита
Коэффициенты для расчета
Присоединительные размеры
Конструкция и исполнение