Главная > Подшипники> Шариковые> Упорные>4138-AW

4138-AW — Подшипник шариковый упорный, импортное производство по ISO стандарту, размер 190x275x86 номер основного исполнения 4138.
Производитель: INA.
A = Модифицированная внутренняя конструкция. W = Без кольцевой канавки и смазочных отверстий в наружном кольце.
Цена по запросу
Цена на подшипник зависит от:
| Обозначение | Модификация |
|---|---|
| 4138 | Основное конструктивное исполнение. |
| NNU4138-M | Двухрядный цилиндрический роликоподшипник. Коническое отверстие позволяет регулировать внутренний зазор. Имеются масляная канавка и масляное отверстие в центре наружного кольца. M = массивный латунный сепаратор. |
| NNU 4138 M/W33 | Двухрядный цилиндрический роликоподшипник. Коническое отверстие позволяет регулировать внутренний зазор. Имеются масляная канавка и масляное отверстие в центре наружного кольца. W3 = Смазочный паз и три отверстия в наружном кольце подшипника. |
| NNU 4138 K30M/W33 | Двухрядный цилиндрический роликоподшипник. Коническое отверстие позволяет регулировать внутренний зазор. Имеются масляная канавка и масляное отверстие в центре наружного кольца. W3 = Смазочный паз и три отверстия в наружном кольце подшипника. |
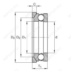
Габаритные размеры
Размеры и геометрические характеристики
Нагрузка и ресурс
Прочие характеристики