Главная > Подшипники> Шариковые> Упорные>4128-AW

4128-AW — Подшипник шариковый упорный, импортное производство по ISO стандарту, размер 140x212x62 номер основного исполнения 4128.
Производитель: INA.
A = Модифицированная внутренняя конструкция. W = Без кольцевой канавки и смазочных отверстий в наружном кольце.
Цена по запросу
Цена на подшипник зависит от:
| Обозначение | Модификация |
|---|---|
| 4128 | Основное конструктивное исполнение. |
| NNU4128-M | Двухрядный цилиндрический роликоподшипник. Коническое отверстие позволяет регулировать внутренний зазор. Имеются масляная канавка и масляное отверстие в центре наружного кольца. M = массивный латунный сепаратор. |
| NNU 4128 M/W33 | Двухрядный цилиндрический роликоподшипник. Коническое отверстие позволяет регулировать внутренний зазор. Имеются масляная канавка и масляное отверстие в центре наружного кольца. W3 = Смазочный паз и три отверстия в наружном кольце подшипника. |
| C4128K30V/VE240 | Тороидальные подшипники CARB. К = Коническая посадка, конусность 1:12. |
| NNU 4128 K30M/W33 | Двухрядный цилиндрический роликоподшипник. Коническое отверстие позволяет регулировать внутренний зазор. Имеются масляная канавка и масляное отверстие в центре наружного кольца. W3 = Смазочный паз и три отверстия в наружном кольце подшипника. |
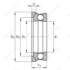
Габаритные размеры
Размеры и геометрические характеристики
Нагрузка и ресурс
Прочие характеристики