Главная > Подшипники> Шариковые> Упорные>4121

4121 — Подшипник шариковый радиальный однорядный, импортное производство по ISO стандарту, размер 105x155x46 основное исполнение.
Производитель: INA.
Цена по запросу
Цена на подшипник зависит от:
| Обозначение | Модификация |
|---|---|
| 4121-AW | A = Модифицированная внутренняя конструкция. W = Без кольцевой канавки и смазочных отверстий в наружном кольце. |
| NNU 4121 M/W33 | Двухрядный цилиндрический роликоподшипник. Коническое отверстие позволяет регулировать внутренний зазор. Имеются масляная канавка и масляное отверстие в центре наружного кольца. W3 = Смазочный паз и три отверстия в наружном кольце подшипника. |
| NNU 4121 K30M/W33 | Двухрядный цилиндрический роликоподшипник. Коническое отверстие позволяет регулировать внутренний зазор. Имеются масляная канавка и масляное отверстие в центре наружного кольца. W3 = Смазочный паз и три отверстия в наружном кольце подшипника. |
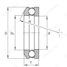
Габаритные размеры
Размеры и геометрические характеристики
Нагрузка и ресурс
Прочие характеристики