Главная > Подшипники> Шариковые> Упорные>4116-AW

4116-AW — Подшипник шариковый упорный, импортное производство по ISO стандарту, размер 80x124x37 номер основного исполнения 4116.
Производитель: INA.
A = Модифицированная внутренняя конструкция. W = Без кольцевой канавки и смазочных отверстий в наружном кольце.
Цена по запросу
Цена на подшипник зависит от:
| Обозначение | Модификация |
|---|---|
| 4116 | Основное конструктивное исполнение. |
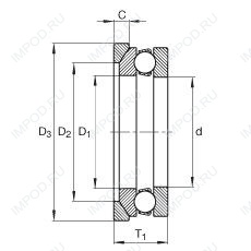
Габаритные размеры
Размеры и геометрические характеристики
Нагрузка и ресурс
Прочие характеристики