Главная > Подшипники> Шариковые> Упорные>4114-AW

4114-AW — Подшипник шариковый упорный, импортное производство по ISO стандарту, размер 70x109x34 номер основного исполнения 4114.
Производитель: INA.
A = Модифицированная внутренняя конструкция. W = Без кольцевой канавки и смазочных отверстий в наружном кольце.
Цена по запросу
Цена на подшипник зависит от:
| Обозначение | Модификация |
|---|---|
| 4114 | Основное конструктивное исполнение. |
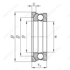
Габаритные размеры
Размеры и геометрические характеристики
Нагрузка и ресурс
Прочие характеристики