Главная > Подшипники> Шариковые> Упорные>4112-AW

4112-AW — Подшипник шариковый упорный, импортное производство по ISO стандарту, размер 60x96x30 номер основного исполнения 4112.
Производитель: INA.
A = Модифицированная внутренняя конструкция. W = Без кольцевой канавки и смазочных отверстий в наружном кольце.
Цена по запросу
Цена на подшипник зависит от:
| Обозначение | Модификация |
|---|---|
| 4112 | Основное конструктивное исполнение. |
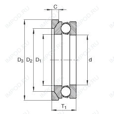
Габаритные размеры
Размеры и геометрические характеристики
Нагрузка и ресурс
Прочие характеристики