Главная > Подшипники> Шариковые> Упорные>4111-AW

4111-AW — Подшипник шариковый упорный, импортное производство по ISO стандарту, размер 55x94x30 номер основного исполнения 4111.
Производитель: INA.
A = Модифицированная внутренняя конструкция. W = Без кольцевой канавки и смазочных отверстий в наружном кольце.
Цена по запросу
Цена на подшипник зависит от:
| Обозначение | Модификация |
|---|---|
| 4111 | Основное конструктивное исполнение. |
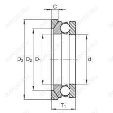
Габаритные размеры
Размеры и геометрические характеристики
Нагрузка и ресурс
Прочие характеристики