Главная > Подшипники> Шариковые> Упорные>4109

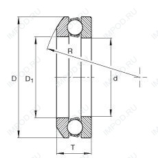
4109 — Подшипник шариковый радиальный однорядный, импортное производство по ISO стандарту, размер 45x73x25 основное исполнение.
Производитель: INA.
Цена по запросу
Цена на подшипник зависит от:
| Обозначение | Модификация |
|---|---|
| 4109-AW | A = Модифицированная внутренняя конструкция. W = Без кольцевой канавки и смазочных отверстий в наружном кольце. |
Габаритные размеры
Размеры и геометрические характеристики
Нагрузка и ресурс
Прочие характеристики