Главная > Подшипники> Шариковые> Упорные>4108-AW

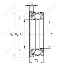
4108-AW — Подшипник шариковый упорный, импортное производство по ISO стандарту, размер 40x69x23 номер основного исполнения 4108.
Производитель: INA.
A = Модифицированная внутренняя конструкция. W = Без кольцевой канавки и смазочных отверстий в наружном кольце.
Цена по запросу
Цена на подшипник зависит от:
| Обозначение | Модификация |
|---|---|
| 4108 | Основное конструктивное исполнение. |
Габаритные размеры
Размеры и геометрические характеристики
Нагрузка и ресурс
Прочие характеристики