Главная > Подшипники> Роликовые > Игольчатые>40MM4720

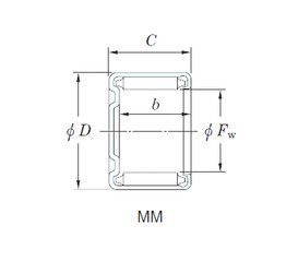
40MM4720 — Подшипник игольчатый радиальный, импортное производство по ISO стандарту, размер 40x47x20 номер основного исполнения .
Производитель: KOYO.
M = массивный латунный сепаратор.
Цена по запросу
Цена на подшипник зависит от:
Габаритные размеры
Размеры и геометрические характеристики
Нагрузка и ресурс
Защита
Конструкция и исполнение
Другие размеры
Подшипник игольчатый радиальный CK404720E (EPK)
Подшипник роликовый игольчатый с наружным кольцом с плоским дном с сепаратором ВК404720
Подшипник роликовый игольчатый с наружным кольцом с профилированным дном без сепаратора НД404720
Подшипник роликовый игольчатый с наружным кольцом со сквозным отверстием без сепаратора НК404720
Подшипник роликовый игольчатый с наружным кольцом с профилированным дном без сепаратора СК404720
Роликовый игольчатый подшипник HK4020 (AST, CRAFT, CX, FBJ, INA)