Главная > Подшипники> Шариковые> Радиально-упорные>40BNR19XE

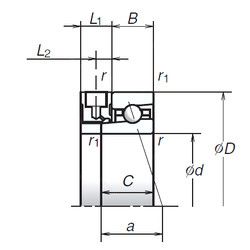
40BNR19XE — Радиально-упорный шарикоподшипник, импортное производство по ISO стандарту, размер 40x62x12 номер основного исполнения .
Производитель: NSK.
Стопорное кольцо и проточка под него в наружном кольце подшипника.
Цена по запросу
Цена на подшипник зависит от:
Габаритные размеры
Размеры и геометрические характеристики
Нагрузка и ресурс
Защита
Присоединительные размеры
Конструкция и исполнение
Другие размеры
Подшипник однорядный шариковый радиальный 61908 (CRAFT, CX, FAG, IBC, ISB)
Подшипник шариковый радиальный однорядный 1000908
Подшипник шариковый однорядный радиально-упорный B71908 E.T.P4S.UL (FAG)
Подшипник шариковый однорядный радиально-упорный HS71908 C.T.P4S.UL (FAG)