Главная > Подшипники> Шариковые> Радиально-упорные>3NCHAR926C

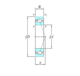
3NCHAR926C — Радиально-упорный шарикоподшипник, импортное производство по ISO стандарту, размер 130x180x24 номер основного исполнения .
Производитель: KOYO.
A = Модифицированная внутренняя конструкция. R = Наружное кольцо с фланцем.
Цена по запросу
Цена на подшипник зависит от:
Габаритные размеры
Размеры и геометрические характеристики
Нагрузка и ресурс
Защита
Коэффициенты для расчета
Присоединительные размеры
Конструкция и исполнение
Подшипник однорядный шариковый радиальный 61926 (CX, ISB, ISO, NKE, SIGMA)
Подшипник шариковый радиальный однорядный 1000926
Подшипник шариковый однорядный радиально-упорный B71926 C.T.P4S.UL (FAG)
Подшипник шариковый однорядный радиально-упорный HS71926 C.T.P4S.UL (FAG)